PRŮMĚR
5 - 12 mm
DÉLKA
10 - 60 mm
CENA
od 18,00 Kč
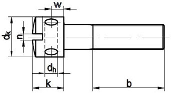
V rozměru uvádíme průměr šroubu (závitu) x jeho délku. V případě zápustných šroubů se jejich délkou rozumí celková délka šroubu, včetně hlavy

Rozměry

| Průměr | Šířka drážky (n) | Průměr hlavy (dk) | Výška hlavy (k) | Délka závitu (b) | Průměr otvoru (dh) |
| M3 | 0,8 mm | 5,5 mm | 4 mm | 19 mm | 1,5 mm |
| M4 | 1 mm | 7 mm | 5 mm | 22 mm | 2 mm |
| M5 | 1,2 mm | 8,5 mm | 6,5 mm | 25 mm | 2,5 mm |
| M6 | 1,6 mm | 10 mm | 8 mm | 28 mm | 3 mm |
| M8 | 2 mm | 13 mm | 10 mm | 34 mm | 4 mm |
Vzdálenost středu otvoru od spodní hrany hlavy je rovna průměru otvoru (w = dh).
info@sroubyonline.cz
Pondělí - Pátek 7.00 - 15.30

Doprava ZDARMA
Při nákupu nad 4000 Kč

Od 1 kusu
Možnost nákupu od 1 kusu

Skladová zásoba
Přes 50 000 položek skladem