ŠÍŘKA
12 mm
DÉLKA
3000 - 10000 mm
CENA
od 68,00 Kč
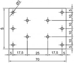
Konstrukční spojka s otvory, vyrobená z ocelového pozinkovaného plechu o síle 1,5 mm.
V rozměru uvádíme šířku spojky.

Aplikace
Spojka se používá pro spojování prvků dřevěných konstrukcí při menším zatížení, jako spojovací materiál slouží konvexní hřebíky nebo vruty o průměru 2,5 mm.

info@sroubyonline.cz
Pondělí - Pátek 7.00 - 15.30

Doprava ZDARMA
Při nákupu nad 4000 Kč

Od 1 kusu
Možnost nákupu od 1 kusu

Skladová zásoba
Přes 50 000 položek skladem