PRŮMĚR
2 - 8 mm
DÉLKA
30 - 80 mm
CENA
od 2,90 Kč
V rozměru uvádíme průměr matice (závitu).

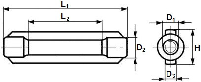
Rozměry

| Závit (D1) | Celková délka (L1) | Vnitřní délka (L2) | Průměr matic (D2) | Průměr spojnic (D3) | Šířka (H) | Nosnost |
| M8 | 110 mm | 80 mm | 15 mm | 8 mm | 23 mm | 550 kg |
| M10 | 125 mm | 89 mm | 18 mm | 9 mm | 30 mm | 800 kg |
| M12 | 125 mm | 83 mm | 21 mm | 10 mm | 34 mm | 1100 kg |
| M14 | 140 mm | 92 mm | 25 mm | 12 mm | 38 mm | 1400 kg |
| M16 | 170 mm | 116 mm | 27 mm | 14 mm | 42 mm | 1800 kg |
| M20 | 200 mm | 132 mm | 34 mm | 17 mm | 52 mm | 2800 kg |
| M24 | 255 mm | 177 mm | 39 mm | 20 mm | 60 mm | 4000 kg |
| M30 | 255 mm | 165 mm | 45 mm | 23 mm | 74 mm | 5600 kg |
| M36 | 295 mm | 185 mm | 55 mm | 28 mm | 86 mm | 7800 kg |
info@sroubyonline.cz
Pondělí - Pátek 7.00 - 15.30

Doprava ZDARMA
Při nákupu nad 4000 Kč

Od 1 kusu
Možnost nákupu od 1 kusu

Skladová zásoba
Přes 40 000 položek skladem